
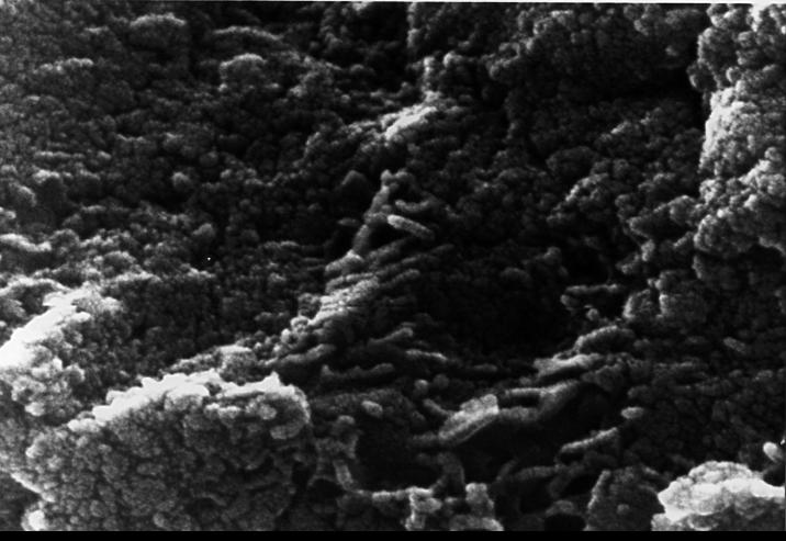
This electron microscope image shows tubular structures of likely Martian origin. These structures are very similar in size and shape to extremely tiny microfossils found in some Earth rocks. http://photojournal.jpl.nasa.gov/catalog/PIA00287
Most NASA images are in the public domain and free to use. Credit NASA as the source. Check NASA's media usage guidelines for details. Images featuring identifiable individuals may require additional permissions.
NASA ID
PIA00287
Date Created
August 9, 1996
Center
JPL
Media Type
image
Download this image in multiple resolutions. All NASA media are free for public use.
240px