
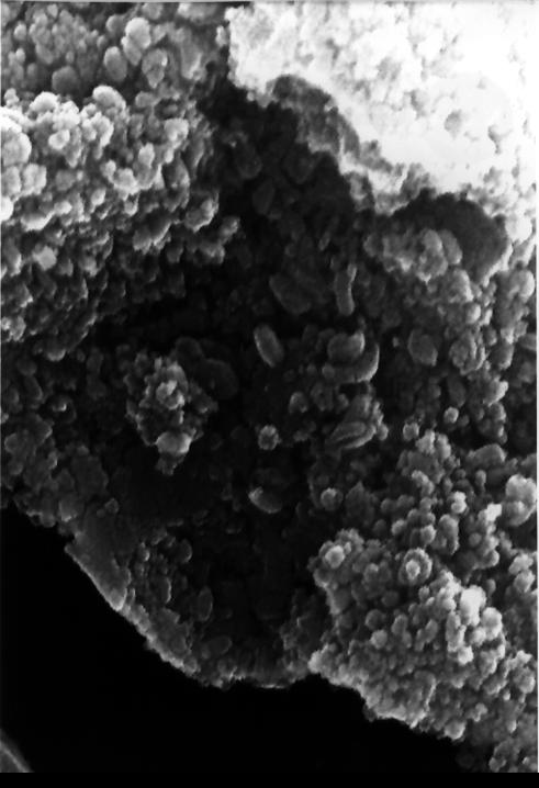
This electron microscope image shows egg-shaped structures, some of which may be possible microscopic fossils of Martian origin as discussed by NASA research published in the Aug. 16, 1996. http://photojournal.jpl.nasa.gov/catalog/PIA00286
Most NASA images are in the public domain and free to use. Credit NASA as the source. Check NASA's media usage guidelines for details. Images featuring identifiable individuals may require additional permissions.
NASA ID
PIA00286
Date Created
August 9, 1996
Center
JPL
Media Type
image
Download this image in multiple resolutions. All NASA media are free for public use.
240px